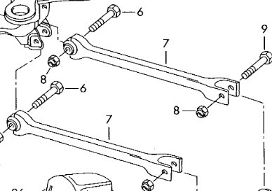
1J0505323N Важіль задній

Купити в інтернет магазинах та на авторозборках України за найнижчою ціною

Завантаження форми ...
Інформація про 1J0505323N
* Хочете купити важіль задній 1J0505323N? Відправте запит на цю запчастину та отримайте відповіді з ціною від продавців зі всієї України.
Важіль задній 1J0505323N   Skoda Octavia

1J0505323N Важіль задній

ричаг поперечный задний ныжний
деталі підвіски
Важіль задній 1J0505323N також шукали з кодами:

Як купити 1J0505323N на Запчасть.com.ua

  • Відправте форму запиту, вказавши в ній назву запчастини Важіль задній та її код - 1J0505323N, інформацію про ваш автомобіль та контактні дані
  • Після відправки запиту ви отримаєте пропозиції з ціною від зареєстрованих у нас продавців автозапчастин
  • Виберіть продавця з найкращою ціною та умовами доставки

Відправлені запити на покупку 1J0505323N:

03/11/2018
6 відповідей16/08/2013

Пропозиції з цінами надійшли від 5 автомагазинів з Дніпра, Києва, Одеси.

Ви торгуєте автозапчастинами?
Зареєструйтесь, та знайдіть сотні нових покупців щодня!