Патрубок кондиционера Audi A4 B8 2014 г. Белая Церковь

Быстрый поиск запчасти патрубок кондиционера для Ауди A4 B8 2.0 л бензин по автомагазинам и разборкам Белой Церкви и всей Украины

Загрузка формы ...
Запрос # 6464873 | 06/07/2023
Хотите купить патрубок кондиционера на Audi A4 B8 в Белой Церкви? Отправьте запрос на эту запчасть и получите ответы с ценой от продавцов со всей Украины.
Город: Белая Церковь
Автомобиль: Audi A4 B8 2014 г. Седан
Двигатель: 2.0 л, бензин
Список запчастей:
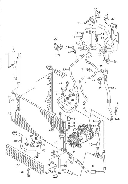
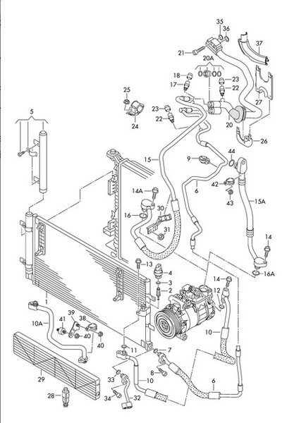
Патрубок кондиционера Audi A4 B8 2014 г.  2.0 л бензин Белая Церковь
  • Патрубок кондиционера

    детали кондиционера
    Тип: оригинал или аналог
    Состояние: новая или б/у
    Код запчасти: 8T0260710F
Предложения с ценами поступили от 1 автомагазина из Черкасс.

Как купить патрубок кондиционера Audi A4 B8 2014 г. 2.0 л бензин на Запчасть.com.ua

  • Отправьте форму запроса, указав в ней название запчасти - Патрубок кондиционера, информацию о вашем автомобиле - Audi A4 2.0 л бензин и контактные данные (Белая Церковь или другой город, email или номер телефона)
  • После отправки запроса вы получите предложения с ценой от зарегистрированных у нас продавцов автозапчастей
  • Выберите продавца с самой лучшей ценой и условиями доставки
Трубка кондиционера Audi A4 также искали с такими кодами:
Вы торгуете автозапчастями?
Зарегистрируйтесь, и найдите сотни новых покупателей ежедневно!